EN
搜索
公司簡介
分公司
榮譽證書
公司理念
組織架構
車間一角
光刻腐蚀片系列
音叉諧振器
HC-49S諧振器
陶瓷諧振器
SMD諧振器
SMD振盪器
TO类管座、管帽
案例展示
品質控制
視頻中心
行業資訊
公司動態
以絕佳的產品與服務,為客戶成就完美;以前瞻的氣度與視野,為產業引領未來。
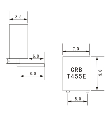
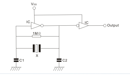
频率范围:370~1250KHz 低成本 小尺寸、塑料封装 稳定性高
标准规格
雅晶官方微信號
應用案例
聯繫方式
信息反饋
地理位置
0576-89025257/89025258
Copyright © 2018 浙江雅晶電子有限公司 浙ICP备20013319号-1设计 & 制作:飞速网络科技